Hello All,
I am a teenager new to this forum and electronics looking for some help! I am designing a circuit that causes something to happen within a device. It is for an amateur (ham) radio project of mine. I am a teenager very new to electronics, prototyping, and designing circuits, but I'm learning slowly - bear with me! This (the radio in this case) is triggered by switching the right value of resistor between two pins. One of those pins is ground. An Arduino pulls a given pin high when I want one of these things to happen. The Arduino is activated by a DTMF tone on an auxiliary board. At first, I had these pins driving a relay and relay driver. The relay would just short the right resistor between two leads. (Eventually, I want to PCB this) Then, I went to 2N2222s with base resistors being driven straight from the Arduino, which switches ground to the resistor when the Arduino pin is pulled high. It worked really well.
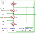
Here is the thing though - there are 6 different processes to trigger, and I didn't want to use 6 sets of 2N2222s and base resistors. It takes up plenty of through-hole space. Some online reading said that a ULN2003 would do just the trick, as it had a bunch of transistors and base resistors in a small, DIP package (my dumbed down - basic understanding). Now, when implementing this, I see really whacky things happening. Things are kind of triggering based on of the wrong resistance value. It seems like there is something internal to it going on that is strange. I must reiterate that I am *very* new to this, and pretty clueless. Any thoughts? Tips? Explanation? I am attaching a schematic of the whole circuit.
Marty
I am a teenager new to this forum and electronics looking for some help! I am designing a circuit that causes something to happen within a device. It is for an amateur (ham) radio project of mine. I am a teenager very new to electronics, prototyping, and designing circuits, but I'm learning slowly - bear with me! This (the radio in this case) is triggered by switching the right value of resistor between two pins. One of those pins is ground. An Arduino pulls a given pin high when I want one of these things to happen. The Arduino is activated by a DTMF tone on an auxiliary board. At first, I had these pins driving a relay and relay driver. The relay would just short the right resistor between two leads. (Eventually, I want to PCB this) Then, I went to 2N2222s with base resistors being driven straight from the Arduino, which switches ground to the resistor when the Arduino pin is pulled high. It worked really well.
Here is the thing though - there are 6 different processes to trigger, and I didn't want to use 6 sets of 2N2222s and base resistors. It takes up plenty of through-hole space. Some online reading said that a ULN2003 would do just the trick, as it had a bunch of transistors and base resistors in a small, DIP package (my dumbed down - basic understanding). Now, when implementing this, I see really whacky things happening. Things are kind of triggering based on of the wrong resistance value. It seems like there is something internal to it going on that is strange. I must reiterate that I am *very* new to this, and pretty clueless. Any thoughts? Tips? Explanation? I am attaching a schematic of the whole circuit.
Marty
Attachments
-
31.7 KB Views: 28

