http://forum.allaboutcircuits.com/attachments/alternating-led-trigger-png.73013/How would I make the same circuit for a 12v application? I want to switch between red/white on a LED strip I have.
Would there be a way to make them fade between each rather then just a quick switch?http://forum.allaboutcircuits.com/attachments/alternating-led-trigger-png.73013/
It is the same, you just need to add a bit higher resistance to limit the current on the LEDs
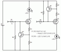
Again, the signal generator at left would just be the output of your 555 timer. A 1 Hz cycle is shown. You can get slower fade with bigger caps or higher value resistors at the transistor bases.Would there be a way to make them fade between each rather then just a quick switch?
