How to turn on one led and off another in the same circuit using a trigger

Thread Starter

cgpire

Joined Sep 11, 2014
4
Hello,
I am new to this forum and have little experience with electronics, so I apologize if this seems stupid/obvious in advance.
I am interested in knowing if there is anyway one can power on one led, while turning another on off in the same circuit, using a triggering device. The trigger or switch is wired to the second led (the one initially off which I want to turn on, having the other then turn off) when the switch closes and completes the circuit for the second led
I am running the leds in parallel, using 9V (both having a forward drop of 3.2V) and maintaining 1000mA current, using a power NFET, NPN transistor, and appropriate resistors. I have been able to obtain the desired result (of turning on the one led and off the other when the trigger closes the circuit) by using a phototransistor, which turns off the first led, when the second comes on, but am interested to know if there is an easier/better way.
Any advice would be greatly appreciated
 

Electric Al

Joined Nov 6, 2013
55
Hello,
I am new to this forum and have little experience with electronics, so I apologize if this seems stupid/obvious in advance.
I am interested in knowing if there is anyway one can power on one led, while turning another on off in the same circuit, using a triggering device. The trigger or switch is wired to the second led (the one initially off which I want to turn on, having the other then turn off) when the switch closes and completes the circuit for the second led
I am running the leds in parallel, using 9V (both having a forward drop of 3.2V) and maintaining 1000mA current, using a power NFET, NPN transistor, and appropriate resistors. I have been able to obtain the desired result (of turning on the one led and off the other when the trigger closes the circuit) by using a phototransistor, which turns off the first led, when the second comes on, but am interested to know if there is an easier/better way.
Any advice would be greatly appreciated


This can be done with a relay , although there are probably other ways that this can be done !
 

LDC3

Joined Apr 27, 2013
924
An easy way is to use an JK flip flop and power the LEDs off the 2 outputs. It really depends on where the trigger is generated and how much power you have available. Your circuit uses a minimum amount of power, and the JK flip flop will always use power.
 

crutschow

Joined Mar 14, 2008
38,428
Use the collector voltage from one of the LED's transistors to provide the switch signal to the second LED transistor. The collector voltage of a grounded source/emitter transistor is inverted from it's input control voltage.

If you post your circuit I can show you exactly how to do that.
 

shteii01

Joined Feb 19, 2010
4,644
Take two led. Set them in parallel. Now put a NOT gate (inverter) in series with one led. So you have LED 1 in parallel with NOT gate+LED 2. Run your signal to this circuit. When signal is high, LED 1 is On, LED 2 is Off. When signal is low, LED 1 is Off, the NOT gate inverts to low into high and LED 2 is On.
 

Lee697

Joined Aug 31, 2014
27
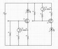
This is what I did last week, I needed to switch between status LEDs on the throw of a switch.
One LED is across the input, one across the output, watch their current limiting resistors.....
(as shteii01 says above)
 

Attachments

Thread Starter

cgpire

Joined Sep 11, 2014
4
Hello again,
Thanks for all of the rapid comments. I really appreciate the advice/help. I posted the proposed schematic, based on what I have seen used for controlling current with leds. Regarding cruschow's comment/suggestion, if you could show me what you mean, that would be very helpful.
Regarding Lee697's diagram, where would the switch be placed in this circuit ? and which resistors would be the current limiting here r3 for the led across the in and r2 for the one crossing the outs? Sorry if this is obvious, but as mentioned I have limited knowledge here.
Thanks
 

Attachments

b1u3sf4n09

Joined May 23, 2014
113
Your current configuration would work with some modifications:

Instead of self-biasing the FETs, remove the 100k resisitor and trigger the LEDs by energizing the gates with your trigger. For this to work, one FET will have to be n channel and the other p channel.

For the p channel: Move the BJT above the FET and the LED below. Tie the BJT collector to V+ and the emitter to the FET gate.

For both: Tie the FET gates to ground with a large resistor to prevent a floating state. Put a resistor in series with the BJT emitter to prevent creating a short during operation.
 

Thread Starter

cgpire

Joined Sep 11, 2014
4
Your current configuration would work with some modifications:

Instead of self-biasing the FETs, remove the 100k resisitor and trigger the LEDs by energizing the gates with your trigger. For this to work, one FET will have to be n channel and the other p channel.

For the p channel: Move the BJT above the FET and the LED below. Tie the BJT collector to V+ and the emitter to the FET gate.

For both: Tie the FET gates to ground with a large resistor to prevent a floating state. Put a resistor in series with the BJT emitter to prevent creating a short during operation.
Hello b1u3sf4n09,
Thanks for the help, but I am not sure I completely understand. Would you be so kind to post a schematic as I really do not have much background with this sort of stuff and it would help a lot.
 

shteii01

Joined Feb 19, 2010
4,644
I would have just gotten a chip like 7404 and use that. Skip the whole "transistor thing".

Though I did not notice any info on voltages and currents and stuff, so a simple ic chip might be too simple for you.
 

Thread Starter

cgpire

Joined Sep 11, 2014
4
Hello everyone,
Thank you for all of the input and help. I really appreciate it and b1u3sf4n09, thank you so much for the schematic.
 
Top