I am new to Circuit design. Recently, I tried to build a TIA with OPA355 for a Photodiode (figure added). According to a paper, Peaking in AC frequency response shows Instability. To solve this, I used the Resistor isolation method(Riso). Peaking is now reduced, but the pulse response is changed, which also affects the input signal (signal after photodiode). How to solve this?
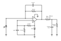
figure1: TIA Circuit diagram before Rios

fig 2: Freq. response

Fig3: Pulse. Res before Rios at 100KHz

Fig4: Circuit after adding Rios

fig5: freq res after Rios

fig6: pulse response after Rios

figure1: TIA Circuit diagram before Rios

fig 2: Freq. response

Fig3: Pulse. Res before Rios at 100KHz

Fig4: Circuit after adding Rios

fig5: freq res after Rios

fig6: pulse response after Rios