How to check if OPT101 is working properly?

Thread Starter

Gab Cruz

Joined Nov 16, 2015
28
Hi guys, I just bought an OPT101 (Monolithic Photodiode and Single-Supply Transimpedance Amplifier) and I would like to test it. Kindly give me some ways on how to test it properly. Thanks!
 

crutschow

Joined Mar 14, 2008
38,325
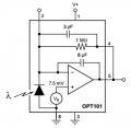
To test the basic functionality, connect pins 3 and 8 to common, and pin 1 to V+ supply (3V-30V),
Connect pin 4 to pin 5.
Apply power to the circuit.
The voltage at pins 4,5 should now vary with a change in light on the IC.
The device is very sensitive so it takes only a very low light level to give a maximum voltage output.

upload_2017-4-24_11-21-37.png
 
Top