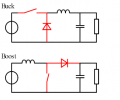
It possible change the topology of step up converter to step down? like the SX1308, I see in aliexpress some module use the same IC to step down and step up in one board, I cant remember how called the topology used in these board, but it possible do it only change the place of the diode and inductor to do step down topology? I need do 3v to 1.5v.







