How do I solve this problem?

crutschow

Joined Mar 14, 2008
38,435
How do I solve this problem?
As Keith noted, we can help but we don't do homework.

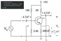
The circuit is a standard, single-state common-emitter transistor AC amplifier stage.
Is that sketched-in emitter capacitor actually in the circuit, as that will significantly change the gain and how its calculated (?).

You start by determining the bias voltages in the circuit, and from that you can calculate the AC gain.

What have you learned about transistor circuits?
Do you understand what a transistor's β is, and the transistor transconductance gain?
Did you study how to bias a transistor in its linear region, and how to determine its gain?
 

Alec_t

Joined Sep 17, 2013
15,112
Vi is not shown on the schematic. Are Vs and Vi the same thing?
It helps discussion if you give each component a unique identifier, e.g. R1, C1 etc.
Welcome to AAC!
 

BobTPH

Joined Jun 5, 2013
11,493
The schematic is missing several connection dots. At best, it is following a convention that became obsolete long ago. With no flying wires shown, we cannot know what convention it is using. We only know what actually connects because we all know the circuit and could draw it on demand. Hopefully it comes from a really old book, or at least, one where the convention was made clear.
 

MrAl

Joined Jun 17, 2014
13,690
It also looks like Zi and Zo are for the transistor base and collector rather than the actual input and output. It could just be drawn that way though when they really meant the actual Zin and Zout.
 
Top