My Dell Altec Lansing Dolby 5.1 speaker system caught on fire. Blown electrolytic capacitor inside woofer box. I removed all boards and power supply. I then built a new supply and used a smaller audio system based on a TPA3116D2 TI circuit. It all works well but there is a loud pop sound at power on or off.
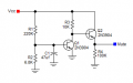
On TI's website for the module, there is a link for a sample power supply circuit (AN-1849) which includes a mute circuit as shown on the attachments.
So, I know by my tests that the mute circuit for this device needs a high voltage (+VCC) to mute, contrary to the sample circuit. Also, the VCC for the module should not exceed 30V and yet the sample power supply shown not only is a dual supply but, the voltage is too high, 80V
That said, how can I mute all channels during power on and off? I am afraid to damage the speakers. Thank you! Mauro
TPA3116D2 data sheet, product information and support | TI.com
On TI's website for the module, there is a link for a sample power supply circuit (AN-1849) which includes a mute circuit as shown on the attachments.
So, I know by my tests that the mute circuit for this device needs a high voltage (+VCC) to mute, contrary to the sample circuit. Also, the VCC for the module should not exceed 30V and yet the sample power supply shown not only is a dual supply but, the voltage is too high, 80V
That said, how can I mute all channels during power on and off? I am afraid to damage the speakers. Thank you! Mauro
TPA3116D2 data sheet, product information and support | TI.com
Attachments
-
179.2 KB Views: 19


