HELP-transistor constant current source problems

Thread Starter

Himanshoo

Joined Apr 3, 2015
265
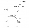
Refer first the attachment ..
The following circuit is a single transistor constant current source..and my query is regarding the behaviour of this circuit..

Since Vcc is constant at 10 V and Vc at 1.2V because Vb is held constant at 1.6 V by the voltage divider.
given:
Iload=(Vcc-Vc)/Rc

Ic= I load= (Vcc-1.2)/ Rc.



Query 1 : If we change Rc the its true from above equation that Ic or I load will also change…which is not desirable as the circuit is constant current circuit. Then why the text tells that I load wont vary if the load resistance is varied from 0 to 8800 ohm???



Query 2: How the transistor saturates beyond 8800 ohms, since saturating a transistor depends upon manipulating Ib.(and here Ib is some what constant)???



Query 3: How the text tells that I load is independent of Vcc as long as the transistor is not saturated.



Since Vc=0 (saturation)



then Rc = (Vcc-Vc) / Ic



=(Vcc-0) / I load



Rc = Vcc / I load……………..here it seems that I load completely depends on Vcc.



but what happens for other values of Vc (between 0 and 1.2) for which transistor is saturated.(say Vc =1.1V)



i.e Vc = 1.1( saturation)



Rc = (Vcc -1.1)/I load……………..here it seems that I load not completely depends on Vcc.



so whats this anomaly???



regards
 

Attachments

Last edited:

Jony130

Joined Feb 17, 2009
5,596

#12

Joined Nov 30, 2010
18,224
Your first error is in assuming that the transistor is always saturated and the collector voltage is always 1.2 volts. This circuit accomplishes a constant current flow for any Rc less than 8.8K by using up the extra voltage with its collector to base voltage.
 

Thread Starter

Himanshoo

Joined Apr 3, 2015
265
Your first error is in assuming that the transistor is always saturated and the collector voltage is always 1.2 volts. This circuit accomplishes a constant current flow for any Rc less than 8.8K by using up the extra voltage with its collector to base voltage.
could u please elaborate "using up the extra voltage with its collector to base voltage".
 

#12

Joined Nov 30, 2010
18,224
could u please elaborate "using up the extra voltage with its collector to base voltage".
There are not always 8.8 volts across the resistor. There are not always 1.2 volts across the transistor. For instance, when 1 milliamp flows through 1000 ohms load resistor, that resistor will have 1 volt across it and the transistor will have nine volts on its collector.
 

dl324

Joined Mar 30, 2015
18,289
Hi Himanshoo,
no its regarding my personal reserch..
Then my apologies because my asking caused a Moderator to move your post to the homework help section which may affect the number of people viewing it.

That being said, as you've mentioned, the transistor is biased as a current source. If you ignore the slight difference between Ie and Ic, you have a 1mA source. Assuming an ideal transistor, the voltage drop across any load can be up to 9V and Vc will vary according to the load resistance.

HTH
Dennis
 

Thread Starter

Himanshoo

Joined Apr 3, 2015
265
Hi Himanshoo,Then my apologies because my asking caused a Moderator to move your post to the homework help section which may affect the number of people viewing it.

That being said, as you've mentioned, the transistor is biased as a current source. If you ignore the slight difference between Ie and Ic, you have a 1mA source. Assuming an ideal transistor, the voltage drop across any load can be up to 9V and Vc will vary according to the load resistance.

HTH
Dennis
what do think about query 2.
 

dl324

Joined Mar 30, 2015
18,289
Query 2: How the transistor saturates beyond 8800 ohms, since saturating a transistor depends upon manipulating Ib.(and here Ib is some what constant)???
You need Vce to be 0V (ideal case) for the transistor to saturate; 8.8K would make Vc 1.2V which is what an actual transistor would typically achieve. You don't need to manipulate Ib if you increase the load to 8.8K.

BR
Dennis
 

WBahn

Joined Mar 31, 2012
32,777
Refer first the attachment ..
The following circuit is a single transistor constant current source..and my query is regarding the behaviour of this circuit..

Since Vcc is constant at 10 V and Vc at 1.2V because Vb is held constant at 1.6 V by the voltage divider.
given:
Iload=(Vcc-Vc)/Rc

Ic= I load= (Vcc-1.2)/ Rc.
Your basic problem is your premise. Yes, Vcc is constant at 10 V, but where does the notion that Vc is constant at 1.2 V come from?

The bias circuit sets a voltage at the transistor base of 1.6V.
The transistor adjusts its internal behavior, if possible, to result in there being about 0.6V from base to emitter.
This results in the emitter of the transistor being held at 1.0V.
This results in the voltage across the 1.0kΩ emitter resistor being 1.0V.
This results in the current in the emitter resistance being 1 mA.
This results in the emitter current of the transistor being 1 mA.
This results in the collector current of the transistor being 1 mA (just very slightly less, due to base current).
This results in the current in the load resistor being 1 mA.
This results in a voltage drop across the load of Vload = (1 mA)(Rload).
This results in a voltage at the transistor collector of Vcc - Vload.

The transistor is able to adjust its internal behavior only as long as the end result is that the voltage across the collector-emitter terminals is at least Vcesat, which is commonly taken to be 0.2V.

That's the sequence of steps you should probably view the behavior of this circuit in.

With that in mind, see which of your queries is still unresolved.
 

Thread Starter

Himanshoo

Joined Apr 3, 2015
265
You need Vce to be 0V (ideal case) for the transistor to saturate; 8.8K would make Vc 1.2V which is what an actual transistor would typically achieve. You don't need to manipulate Ib if you increase the load to 8.8K.

BR
Dennis
As we all know that manipulating Ib we can saturate a transistor (make Vc=0)...Is it any kind of reverse effect or so that by making Vc=0(ideally) we could saturate a transistor no matter what base current is there ...is this what you are trying to say...
 

#12

Joined Nov 30, 2010
18,224
As we all know that manipulating Ib we can saturate a transistor (make Vc=0)...Is it any kind of reverse effect or so that by making Vc=0(ideally) we could saturate a transistor no matter what base current is there ...is this what you are trying to say...
Who said anything about saturating this transistor? It is in a constant current configuration. For all load resistors less than 8800 ohms, it is not saturated and should not be saturated. You can not make Vc =0 because real transistors do not saturate to zero volts and besides that, this circuit has an emitter resistor so the Vc can never be less than the voltage across the emitter resistor.

So, no. Nobody is saying anything about saturating a transistor.
 

Thread Starter

Himanshoo

Joined Apr 3, 2015
265
Your basic problem is your premise. Yes, Vcc is constant at 10 V, but where does the notion that Vc is constant at 1.2 V come from?

The bias circuit sets a voltage at the transistor base of 1.6V.
The transistor adjusts its internal behavior, if possible, to result in there being about 0.6V from base to emitter.
This results in the emitter of the transistor being held at 1.0V.
This results in the voltage across the 1.0kΩ emitter resistor being 1.0V.
This results in the current in the emitter resistance being 1 mA.
This results in the emitter current of the transistor being 1 mA.
This results in the collector current of the transistor being 1 mA (just very slightly less, due to base current).
This results in the current in the load resistor being 1 mA.
This results in a voltage drop across the load of Vload = (1 mA)(Rload).
This results in a voltage at the transistor collector of Vcc - Vload.

The transistor is able to adjust its internal behavior only as long as the end result is that the voltage across the collector-emitter terminals is at least Vcesat, which is commonly taken to be 0.2V.

That's the sequence of steps you should probably view the behavior of this circuit in.

With that in mind, see which of your queries is still unresolved.
Ok now i do agree with u that Vc varies...(its isnt constant)...as the base voltage is constant since (it wont effect saturation of transistor)...now the remaining thing is how can we saturate a transitor ..it could be done by varying the power supply(which is constant here) or by altering Vc (which though can be done by changing load resistance)..
Now lets say we have changed load resistance to a new value..its obvious now Vc will change ok...and if we substitute new values of Vc and Rc in equation------> Iload=(Vcc-Vc)/Rc
it would definitely change Iload..which is not demanded now here where does transistor regulatory internal behaviour comes into picture?
 

Thread Starter

Himanshoo

Joined Apr 3, 2015
265
Who said anything about saturating this transistor? It is in a constant current configuration. For all load resistors less than 8800 ohms, it is not saturated and should not be saturated. You can not make Vc =0 because real transistors do not saturate to zero volts and besides that, this circuit has an emitter resistor so the Vc can never be less than the voltage across the emitter resistor.

So, no. Nobody is saying anything about saturating a transistor.
Let say i changed my load resistance to 8801 ohms ..what will happen then? lets forget about Vc=0 for now
 

dl324

Joined Mar 30, 2015
18,289
As we all know that manipulating Ib we can saturate a transistor (make Vc=0)...Is it any kind of reverse effect or so that by making Vc=0(ideally) we could saturate a transistor no matter what base current is there ...is this what you are trying to say...
Follow the link Veracohr posted. The transistor will be saturated when both junctions are forward biased.

If you change Ib, you change the load that causes saturation.

BR
Dennis
 
Top