Grounding/signal isolation with floating power supply and metal enclosure

Thread Starter

hrs

Joined Jun 13, 2014
520
Hi,

I want to put a TDA7498 class D amplifier module in a 1590BB aluminium enclosure and power it from a 24V laptop brick. The idea is to use it as a guitar power amplifier. From what I read attaching either pole of the power supply to the metal enclosure defeats the purpose of a floating power supply. Is this true? Can I attach the ground lead from the guitar signal to the enclosure for signal shielding or should I make sure nothing is in electrical contact with the enclosure?
 

Attachments

dl324

Joined Mar 30, 2015
18,219
Grounding on audio equipment is very susceptible to ground loops. In addition to being a bad idea in general, I definitely wouldn't connect circuit ground of an audio amp to the case.
 

MrChips

Joined Oct 2, 2009
34,628
Grounding on audio equipment is very susceptible to ground loops. In addition to being a bad idea in general, I definitely wouldn't connect circuit ground of an audio amp to the case.
I beg to differ. If you are playing any musical instrument you want to protect yourself from being electrocuted. Hence earth ground is connected to any metal enclosure and to signal ground, i.e. all 1/4" jacks.
 

Thread Starter

hrs

Joined Jun 13, 2014
520
Thanks for your responses.

"Floating" is perhaps not the correct term, maybe "double insulated" is more correct. In any case, the mains plug of the power supply doesn't have an earth ground connection and I have verified with my DMM that both + and - of the supply float to whatever potential is on the other lead of the DMM.

In this case is there any benefit to attach - to the enclosure? Like Max says I would expect this might reduce interference, but it's not an earth ground ... I think, my terminology might not be correct. Or is it just a bad idea to use a power supply without earth ground for something like this?
 

MrChips

Joined Oct 2, 2009
34,628
TDA7498 is a dual class-D 100W + 100W amplifier.

For a guitar amp, what are you going to do with the extra channel?

Are you sure that the 24V laptop charger can supply enough current for this baby?
 

Thread Starter

hrs

Joined Jun 13, 2014
520
The charger is rated for 6A I think, so 24V into 8 ohms is 3A, this should provide some margin.

As for the other channel, there are stereo effect pedals. Or you could mono into two speaker cabinets. Or you just use one which raises the concern that a class D amplifier needs a load. I plan on using switched sockets and maybe put a 2k 1W resistor across the unused output.

The main concern is safety. The secondary concern is signal integrity. I know what to do with an earth ground connected power supply, in this case not so much.
 
In this case, I don;t think it matters. Your connections might be phone plugs.

The grounds of the phone plugs MIGHT find their way to earth ground. Good thing, because it would RFI shield.

Remember that twisting generally reduces EMI and shielding (grounded at one end only) reduces RFI.
Commercial stuff uses balanced XLR connectors and differential drivers making it further immune.

"Ground loops" are your biggest problem. This happens when grounds are connected in multiple places and thus have multiple potentials.
 

MrChips

Joined Oct 2, 2009
34,628
TDA7498 is a dual class-D 100W + 100W amplifier.

For a guitar amp, what are you going to do with the extra channel?

Are you sure that the 24V laptop charger can supply enough current for this baby?
If you are cranking out 200W you will need about 10A @ 24V. But by then you wouldn't have any hearing left.
 

Thread Starter

hrs

Joined Jun 13, 2014
520
I'm going for something like this. That one does seem to have an earth ground reference, at least on the mains plug. Also it looks like all connections are insulated from the case.
In this case, I don;t think it matters. Your connections might be phone plugs. The grounds of the phone plugs MIGHT find their way to earth ground. Good thing, because it would RFI shield. Remember that twisting generally reduces EMI and shielding (grounded at one end only) reduces RFI. Commercial stuff uses balanced XLR connectors and differential drivers making it further immune. "Ground loops" are your biggest problem. This happens when grounds are connected in multiple places and thus have multiple potentials.
My plugs will be 1/4" or 6.35mm for guitar input and speaker output and 5.5mm plug like this one. If there is no safety issue, I'll just try some different things such as a star ground to minimize the chance of ground loops.

If you are cranking out 200W you will need about 10A @ 24V. But by then you wouldn't have any hearing left.
Wouldn't that require a 0.12 ohm load? I've already tried it out with alligator clips etc and it's load but definitely not 100W per channel at 24V.
 

MrChips

Joined Oct 2, 2009
34,628
It is not that simple. It depends on what the manufacturer means by 100W. Most specs quote peak music power in order to inflate their rating. I am going to use rms power.

Let us assume for the moment that this is a class-A or AB amplifier. A 24V supply could theoretically output a 24V peak-to-peak wave. Double this for a bridged output. Convert this to 48/1.414 V rms. Power into 8Ω ix V x V / R = 48 x 48 / 16 = 144W.

If we assume that the PWM output for a class-D amp is Vss = 24V, then power = 24 x 24 /16 = 36W rms. The data sheet shows 60W @ 24V.

3A @ 24V = 72W raw electrical power per channel from the power source. So I suppose 6A @ 24V will work for you.
 

Thread Starter

hrs

Joined Jun 13, 2014
520
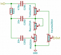
I've made a tone control that will sit between the input signal and the amp module. The tone control attenuates the signal by about 6 dB. Therefore I want to boost the signal some before the tone control, with a gain of ~2. I'm considering using the attached booster that I found here, with adjustments to what I need.

The output impedance of a guitar is around 10k Ohms at 1k Hz and higher still at 5k Hz, 5k Hz being around the frequency limit of the guitar. So I guess I want the input impedance of the booster to be at least 10 times higher than the output impedance of the guitar at the highest frequency of interest. Around 470k Ohms maybe?

I can make R_IN from the booster diagram 470k, can a TL072 live with such a low bias current? I'm guessing this won't be a problem. The linked article states that R2 = R_IN + 0.5*R_A to minimize bias current errors. That would put a high value resistor in the gain loop which might be noisy. Are bias current errors not important here and can I use a low value for R2? What advice do you have for the component values? Or maybe you would suggest a completely different circuit topology.
 

Attachments

AnalogKid

Joined Aug 1, 2013
12,043
A 24V supply could theoretically output a 24V peak-to-peak wave. Double this for a bridged output. Convert this to 48/1.414 V rms. Power into 8Ω ix V x V / R = 48 x 48 / 16 = 144W.
You dropped the 1.44 conversion in the E^2/R. Also, the conversion from peak-to-peak to rms is 2.828.

What about this -

24 V p-p = 12 Vpeak = 8.5 Vrms
8.5 x 8.5 / 8 = 9 W into 8 ohms
Bridged, Pout = 36 W

ak


1 = Peak,
2 = Peak-to-peak,
3 = RMS
4 = Period
 
Last edited:

Thread Starter

hrs

Joined Jun 13, 2014
520
You dropped the 1.44 conversion in the E^2/R. Also, the conversion from peak-to-peak to rms is 2.828.

What about this -

24 V p-p = 12 Vpeak = 8.5 Vrms
8.5 x 8.5 / 8 = 9 W into 8 ohms
Bridged, Pout = 36 W

ak


1 = Peak,
2 = Peak-to-peak,
3 = RMS
4 = Period
Thanks ak, I figured something like that, but for high harmonic content similar to a square wave you would approach 72 W I think. So that settles the power requirements for me.

Any thought on a high impedance gain stage like in post #12?
 

AnalogKid

Joined Aug 1, 2013
12,043
bridged output would approach 72 W. A single-ended output would approach 18 W. Note that this is true only for a 50% duty cycle square wave. The relationship between peak or peak-to-peak voltage and RMS power varies with the shape of the waveform.

ak
 
Top