Explaining the circuit diagram and so on

Thread Starter

hayalet

Joined Jul 11, 2023
1
Moderator note: English is the language of AAC. As a courtesy to a new member, a translation has been added to this post. In the future please use English for posts. Google translate or similar services are acceptable.

TRANSLATION:

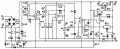
0-30 VDC STABILIZED POWER SUPPLY WITH POWER CONTROL 0.002-3

Could someone please explain the circuit diagram to me? I would like to understand it more precisely, as I have basic knowledge of electronics. I would like to build it, but first I would like to understand what this circuit diagram does and what functions the components have. As a second question, I would like to divide the circuit diagram into three parts: the rectifier as the first part, the control as the second part and the output as the third part.

How can I expand the circuit diagram to connect several outputs? Is that possible and what do I need for it?

ORIGINAL TEXT:
0-30 VDC STABILISIERTE STROMVERSORGUNG MIT STROMREGELUNG 0,002-3

Könnte mir bitte jemand den Schaltplan erklären? Ich würde es gerne genauer verstehen, da ich über Grundkenntnisse in der Elektronik verfüge. Ich würde es gerne bauen, aber vorher möchte ich verstehen, was dieser Schaltplan leistet und welche Funktionen die Komponenten haben. Als zweite Frage möchte ich den Schaltplan in drei Teile unterteilen: den Gleichrichter als ersten Teil, die Steuerung als zweiten Teil und den Ausgang als dritten Teil.

Wie kann ich den Schaltplan erweitern, um mehrere Ausgänge anzuschließen? Ist das möglich und was brauche ich dafür?
 

Attachments

Last edited by a moderator:

Audioguru again

Joined Oct 21, 2019
6,826
That is an old power supply circuit I saw 18 years ago as a project at electronics-lab.com. I fixed most of its problems. It was also a kit from Greece and was much older. A few Chinese companies sell it today as a kit.
It was designed with many overloaded parts.
The numbers 0.002-3 are its adjustable current regulation from 2mA to 3A.

At an output of 5V/3A its single output transistor heated with 98W! But it could not produce 30V or 3A anyway.
 

AnalogKid

Joined Aug 1, 2013
12,094
It would take several very long posts to explain the entire circuit. Ask a specific question about a part of it, including how you think it works, and we can go over it piece by piece.

Here are the basics:

Q1 - Output stage soft-start so the output doesn't go to a high voltage before the regulator starts to function.

Q3 - Constant Current mode LED driver.

U3 - Constant Current mode comparator.

U1 and D8 - Voltage reference for the error amplifier.

U2 - the main error amplifier for output voltage regulation.

Q2 and Q4 - Output transistors.

R2 C2 D5 D6 D7 C3 R3 - Negative voltage generator for opamp power, plus the soft-start control voltage.

ak
 

LowQCab

Joined Nov 6, 2012
5,101
What are the reasons for choosing this particular Circuit ?
There are hundreds of more efficient designs readily available.

What is the purpose of the Regulator that You would like to have ?
.
.
.
 

MisterBill2

Joined Jan 23, 2018
27,378
In addition to the comments in theses posts, I suggest visiting the websites of some IC producers, such as Texas Instruments. They have sections of application notes that describe in detail how the circuits function. Very educational, usually very accurate, and free.
 
Top