Diodes conduct when forward biased and block current when reverse biased.With this kind of circuit practice problem, how can i know which diode is opened or closed?
Is this the ultimate way to do? With more sources we will use the same method?Do two separate calculations.
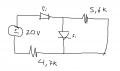
Remove the voltage source on the left and calculate the current and voltages.
Then do the same thing with the voltage source on the right removed.
And then what?Do two separate calculations.
Remove the voltage source on the left and calculate the current and voltages.
Then do the same thing with the voltage source on the right removed.
Compare the voltages at the top node. It's obvious that the voltage will be > 4.5V and therefore no current is flowing through the horizontal diode.And then what?
I understand that, voltage across 2 diodes Vk2, Vk1 must be greater 0.7V then they are opened, below are my KVL equation, how can I continue?Diodes conduct when forward biased and block current when reverse biased.
So you calculate the voltage polarity across the diodes to determine which state they are in.

With 2 diodes like this we must do 4 cases, how about 4 diodes, means 8 cases??? quite lengthy.There are 4 possibilities: D1 and D2 are both reverse biased, D1 is forward and D2 is reverse, D1 is reverse and D2 is forward, and D1 and D2 are both forward. You assume one of these possibilities and analyze the circuit. If your assumption is correct (i.e., the current in a forward diode flows in the correct direction, and the voltage across a reverse diode has the correct polarity), you are done. If not, make a new assumption and repeat.
In (a), both diodes were assumed reverse biased (opens). The analysis shows that the voltage across D1 is incorrect, so the assumption was wrong.
In (b), D1 is assumed forward and D2 reverse. The analysis shows the current in D1 in the correct direction, and the voltage across D2 having the correct polarity.
You don't need to check the other possibilities after the correct one is found. Often you can look at the circuit to make a good guess as the which is the best assumption
No. Four diodes require 16 cases.With 2 diodes like this we must do 4 cases, how about 4 diodes, means 8 cases??? quite lengthy.
so, your way of removing sources is the general and ultimate way, isn't it?No. Four diodes require 16 cases.
No. This was not a typical circuit application. It was just an academic exercise to test your problem solving skills.so, your way of removing sources is the general and ultimate way, isn't it?
I mean I still have part b that Vsource in the left = 9sin(10pit), calculate the current through 2kNo. This was not a typical circuit application. It was just an academic exercise to test your problem solving skills.
so with multiple sources and multiple diodes, do we apply your method?No. This was not a typical circuit application. It was just an academic exercise to test your problem solving skills.
I mean what is the general method for multiple sources and diodes in circuit solving skills?I don’t usually encounter such configurations in real applications.
I mean with diodes connected in parallel or in series or just 1 diode is eassy, but how about they are not in parrallel or in series? Can I remove these diodes initially and calculate Voltages at cathode point of them ?I mean what is the general method for multiple sources and diodes in circuit solving skills?
