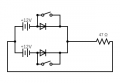
Hey all. I'm working on a battery hot-swap circuit right now and in my design I have a Schottky diode In series with each battery, which are in parallel. But, once the hot-swap has occurred and only one (fully charged) battery remains in the circuit, I'm hoping to bypass the diode so as to avoid the voltage drop that it causes. Is there a simple way to do this with switches or maybe even a logic gate that bypasses the diode only once the second battery is removed? Any help is greatly appreciated

