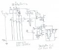
Danelectro Cool Cat Fuzz V2 Guitar Effect Pedal - No Output

Thread Starter

JackSpratt

Joined Jul 27, 2017
26
The output signal is very weak, almost non existent. I can hear it if I turn my amplifier up very high. I'm troubleshooting with an audio probe. The signal is strong until C4/C6 and if I jumper from there to pin 1 of the LF353 the pedal seems to work more or less normally with all the controls functioning and what seems like normal output. But jumpering across only R7 does nothing. Should I conclude the opamp is bad?

- JS
 

Attachments

Last edited:
Top