The project here is an LED boost driver, for the purpose of running a 72vDC LED string (a 4' 18W "fluorescent" LED tube) from a 48vDC nominal battery bank (40v-60v design range), using the Microchip (Supertex) HV9911. Yes, I've tried posting on the Microchip forum, but only ended up with the forum coming up with ridiculous server errors and rejecting my post...not to mention that there isn't much life on the Microchip "analog design" forum category.
I've had PCBs made via JLCPCB.com, based on the sample design circuit for the Microchip (formerly Supertex) HV9911, with lots of help from the Supertex AN-H55 application note. Technically, the circuit functions, as it can easily light up the 72v LED tube from 12vDC (current limited around 0.8A by my power supply). However, the problem is that neither of the HV9911 current limiters seem to be functioning. If I turn the power supply current limit up, the LED tube gets brighter. But I designed this circuit to run from 55v, not 12v--meaning that at 12v, the required input current will probably blow the FET before reaching the 18w output.
I tried setting the input voltage to 36vDC, and then turning the driver on: the LED tube flashed, and the driver stopped working (likely blew the FET, as I still have voltage at 2: VDD).
What I find weird is the potentiometer for setting the LED current (yes, I know that I should have put a resistor on the top lead for better range!): If I set it low enough to regulate the LED current at a low level (which should avoid the current limit on my power supply, allowing for higher input voltage)...the HV9911 does not even attempt to turn on. However, if I set it far too high, the HV9911 starts...but obviously hits the current limit of my power supply.
Several things I've wondered about:
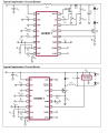
Here's the schematic:

(PWM control circuit off the left; it is not currently implemented. I'm just manually shorting PWMD to VDD to turn the chip on. Also note that I have renamed pin 16: IFDBK -> FDBK)
Any suggestions as to what is amiss?
I've had PCBs made via JLCPCB.com, based on the sample design circuit for the Microchip (formerly Supertex) HV9911, with lots of help from the Supertex AN-H55 application note. Technically, the circuit functions, as it can easily light up the 72v LED tube from 12vDC (current limited around 0.8A by my power supply). However, the problem is that neither of the HV9911 current limiters seem to be functioning. If I turn the power supply current limit up, the LED tube gets brighter. But I designed this circuit to run from 55v, not 12v--meaning that at 12v, the required input current will probably blow the FET before reaching the 18w output.
I tried setting the input voltage to 36vDC, and then turning the driver on: the LED tube flashed, and the driver stopped working (likely blew the FET, as I still have voltage at 2: VDD).
What I find weird is the potentiometer for setting the LED current (yes, I know that I should have put a resistor on the top lead for better range!): If I set it low enough to regulate the LED current at a low level (which should avoid the current limit on my power supply, allowing for higher input voltage)...the HV9911 does not even attempt to turn on. However, if I set it far too high, the HV9911 starts...but obviously hits the current limit of my power supply.
Several things I've wondered about:
- Is there an oscillation on the LED current feedback circuit? If I physically touch the LED current potentiometer with a screwdriver, the HV9911 instantly faults off (requiring a restart). I've tried a capacitor from the pot wiper (15: IREF) to ground, but with no change. (It is worth noting that that is specifically discouraged in the HV9911 datasheet.)
- Is the LED current feedback resistor too small? I used 0.15 ohms for a quantity discount with the FET current sense resistor, though the AN-H55 note calculations specified ~0.6 ohms. (Seemed like a waste of power to me.) Like maybe there's a "lower threshold" on the current sense feedback? I've tried replacing this with a 0.5-ohm resistor...but again, no change.
- I know that the LED output cap should go to GND, not the top of the current sense resistor. I've tried changing this, but again...no change.
Here's the schematic:

(PWM control circuit off the left; it is not currently implemented. I'm just manually shorting PWMD to VDD to turn the chip on. Also note that I have renamed pin 16: IFDBK -> FDBK)
Any suggestions as to what is amiss?

