Can anyone show me how to work out the current flowing through the 32 ohm resistor using kirchoffs law and another method?

Ramussons

Joined May 3, 2013
1,568
2 steps.
Replace 5 volt battery with a wire. Calculate I_32_ohm. ----- 1
Replace the 12 volt battery with a wire. (Restore the 5 volt battery !). Calculate I_32_ohm. ------2

Add 1 and 2. Thats it.
 

RBR1317

Joined Nov 13, 2010
715
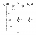
To find the current flowing through the 32 ohm resistor you need to find the voltage across the 32 ohm resistor. So ground one side of the 32 ohm resistor, then label the other side as Vx. Solve for Vx using Kirchoff's Current Law (the sum of the three currents flowing at node Vx must be zero.) Note that in the attached diagram the components are slightly re-arranged to make it easier to visualize the currents that are flowing. This approach to getting a solution might also be called Nodal Analysis.
 

Attachments

The Electrician

Joined Oct 9, 2007
2,986
To find the current flowing through the 32 ohm resistor you need to find the voltage across the 32 ohm resistor. So ground one side of the 32 ohm resistor, then label the other side as Vx. Solve for Vx using Kirchoff's Current Law (the sum of the three currents flowing at node Vx must be zero.) Note that in the attached diagram the components are slightly re-arranged to make it easier to visualize the currents that are flowing. This approach to getting a solution might also be called Nodal Analysis.
What software did you use to create your schematic?
 
Top