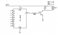
I'm using a 8 input NOR Gate (CD4078BE) to control a relay (SRD-05VDC-SL-C). Will this chip drive enough current to control the coil on the relay? I'm using a 24 volt power supply thru a 7805 voltage regulator to VCC on the chip. Then the signals into multiple inputs will be 0 - 5 volts. The input into those chips has a IOH=-13mA.
If it wont control the relay, how can I get more current to drive the coil on the relay?
Thank you!!
If it wont control the relay, how can I get more current to drive the coil on the relay?
Thank you!!
