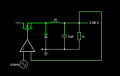
I have made a buck converter with negative feedback on Falstad:

Here is the code of the circuit:
Suppose we had a buck converter with no feedback.The relationship between voltage output and voltage input would be Vout = Vin*D where D=duty cycle of a mosfet.However in my case the output voltage is fed back to the input of my mosfet so the expression becomes Vout = Vin*D(Vout) and because it is fed to the inverting pin of the opamp it is more precise to say Vout = Vin*D(-Vout).
When I run the simulation I change the AC amplitude of the AC source connected to the non-inverting amplifier.The output voltage peaked at 2.08V when I set the AC amplitude of the AC source at 15V , increasing the amplitude of the AC source doesnt change the DC output voltage of the buck converter while setting the AC source at less than 15V decreases the DC output voltage of my buck converter.Why?

Here is the code of the circuit:
Buck converter with negative feedback:
$ 1 3.125e-7 382.76258214399064 50 5 50 5e-11
R 192 128 160 128 0 0 40 5 0 0 0.5
f 208 176 208 128 40 1.5 0.02
w 224 128 272 128 0
d 288 240 288 128 2 default
w 288 128 272 128 0
l 288 128 368 128 0 1 0.0020841426863125808 0
w 368 240 288 240 0
g 288 240 288 256 0 0
r 432 240 432 128 0 1000
w 432 128 368 128 0
w 432 240 368 240 0
O 432 128 496 128 1 0
w 272 240 288 240 0
a 208 256 208 192 8 15 -15 1000000 2.079598055202733 8.323315996821838 100000
w 208 192 208 176 0
w 432 128 432 80 0
w 432 80 528 80 0
w 528 80 528 288 0
w 528 288 224 288 0
w 224 288 224 256 0
R 192 256 192 304 0 1 100000 15 0 0 0.5
c 368 128 368 240 4 0.000009999999999999999 2.079598055202733 0.001 0
o 11 4 0 20482 5 0.1 0 1
o 1 4 0 4099 10 0.003125 1 2 1 3
When I run the simulation I change the AC amplitude of the AC source connected to the non-inverting amplifier.The output voltage peaked at 2.08V when I set the AC amplitude of the AC source at 15V , increasing the amplitude of the AC source doesnt change the DC output voltage of the buck converter while setting the AC source at less than 15V decreases the DC output voltage of my buck converter.Why?
