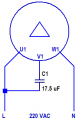
How do hook this motor up to a 240v generator or 120v generator with step up voltage transformer? Wires are blue, black, brown and a ground wire that was cut shorter than the rest.
Attachments
-
2.6 MB Views: 11
-
3.4 MB Views: 10
-
2.3 MB Views: 11
-
1.2 MB Views: 11
