Hello,
I have Ernitec 6-90mm Motorised zoom lens and would like to fix it onto a microscope.
This lens has 2 motors. One connected to the front lens and another to the back lens. Please see the attached images.
The motors are 12v 1A and the polarities (positive and negative) can be reversed to move the gears forward and reverse for zoom-in and zoom-out functions.
Now I would like to figure out the best wiring connections for the front motor and back motor for the zoom-in, zoom-out, and fine-tune purposes.
Any help would be greatly appreciated.
Cheers,
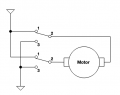
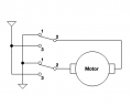
I have Ernitec 6-90mm Motorised zoom lens and would like to fix it onto a microscope.
This lens has 2 motors. One connected to the front lens and another to the back lens. Please see the attached images.
The motors are 12v 1A and the polarities (positive and negative) can be reversed to move the gears forward and reverse for zoom-in and zoom-out functions.
Now I would like to figure out the best wiring connections for the front motor and back motor for the zoom-in, zoom-out, and fine-tune purposes.
Any help would be greatly appreciated.
Cheers,
Attachments
-
248.2 KB Views: 22
-
206.9 KB Views: 23
-
157.4 KB Views: 22



