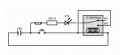
I’m trying to build a circuit based on the picture, and I managed to get what’s shown in the image working. The point I want to achieve is that when I press the NO button, the relay coil engages, and after releasing the NO button, the relay coil remains active, and only pressing the NC button interrupts the process. This also works, but I connected an LED to the branch where the NC button is, and the issue is that when I press the NO button again, the LED doesn’t light up until I release it, and once I release it, it lights up again. The relay coil stays engaged, that’s not the problem. Why is this happening? How can I make the LED stay on? I’m still a beginner, and I would appreciate it if someone could help and explain.
Attachments
-
183.6 KB Views: 33


