I am not looking for numerical answer, I just want to understand whether Tau = Ron * CThe name of this forum is Homework Help, not Homework Do, so you have to show us an effort to solve the problem.
The charging Tau is the time it takes for C to charge to (1 - 1/e) of it's final voltage, where e is the natural logarithm.
Do you know the equation for the charging time of a capacitor?
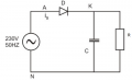
So here is my problem, if I try to use Thevenin's law to check what is the equivalent resistance that the capacitor sees so I really get Ron || R. But if I try to develop the ODE for the circuit then I find that Tau = Ron * C. I am confused about that.It's the equivalent resistance that the capacitor sees.

The name of this forum is Homework Help, not Homework Do, so you have to show us an effort to solve the problem.
The charging Tau is the time it takes for C to charge to (1 - 1/e) of it's final voltage, where e is [the base for]thenatural logarithm[s].
Do you know the equation for the charging time of a capacitor?
Hi,So here is my problem, if I try to use Thevenin's law to check what is the equivalent resistance that the capacitor sees so I really get Ron || R. But if I try to develop the ODE for the circuit then I find that Tau = Ron * C. I am confused about that.
Attaching my ODE:
View attachment 324722
Edit: I think that I got my mistake, I should separate the currents of C and R and I can't say that ic(t) = i(t).