Hey everybody,
I have the following circuit:

It is given that at t=0 Vc0 = 200V.
At first I was asked to calculate the equation of i(t) in the circuit, so I used the KVL eq: Vc(t)+VL(t)+VR(t)=0
I solved it and found i(t) at last.
Then I calculated the maximum value of the current + the passed time until this value (tcond).
Now I am required to calculate the final voltage value on the capacitor (at tcond), I tried to use the same KVL eq: Vc(t)+VL(t)+VR(t)=0
but my answer has wrong sign, +97V instead of -97V. I checked someone's solution and saw that they used the equation:
Vc(t)=VL(t)+VR(t) and I need your help please to understand why did the signs of this equation changed.
Thank you in advance!
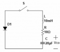
I have the following circuit:

It is given that at t=0 Vc0 = 200V.
At first I was asked to calculate the equation of i(t) in the circuit, so I used the KVL eq: Vc(t)+VL(t)+VR(t)=0
I solved it and found i(t) at last.
Then I calculated the maximum value of the current + the passed time until this value (tcond).
Now I am required to calculate the final voltage value on the capacitor (at tcond), I tried to use the same KVL eq: Vc(t)+VL(t)+VR(t)=0
but my answer has wrong sign, +97V instead of -97V. I checked someone's solution and saw that they used the equation:
Vc(t)=VL(t)+VR(t) and I need your help please to understand why did the signs of this equation changed.
Thank you in advance!