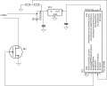
I have a circuit which powers a heating coil from a Li ion 18650 battery, 3.7V 20 A. I want to use the battery to power a microchip which in turn controls a MOSFET that turns the coil on and off.
I thought I could just tap the battery and the voltage regulator would only use the current it needed. The design works for a bit then the voltage regulator gets fried.
There is a voltage divider which I plan to use to monitor battery voltage but I haven't tested that, the caps on the voltage regulator are 0.1uF
Please ignore the pin out on the microchip, the voltage divider is an input to the microchip and the connection to the MOSFET is an output to bias the MOSFET.
So my question is how can I power the microchip and the Load in this circuit.
My apologies if the diagram or my explanation are lacking, I'm happy to add any info that is needed.
thanks
I thought I could just tap the battery and the voltage regulator would only use the current it needed. The design works for a bit then the voltage regulator gets fried.
There is a voltage divider which I plan to use to monitor battery voltage but I haven't tested that, the caps on the voltage regulator are 0.1uF
Please ignore the pin out on the microchip, the voltage divider is an input to the microchip and the connection to the MOSFET is an output to bias the MOSFET.
So my question is how can I power the microchip and the Load in this circuit.
My apologies if the diagram or my explanation are lacking, I'm happy to add any info that is needed.
thanks
Attachments
-
28.6 KB Views: 14
