I have a tiny TV by tiny circuits.com.
I am trying to figure out how to keep the tiny TV in the “On” state so that I can turn it on by simply applying voltage.
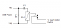
I am using a remote control circuit board to apply the 3.7 V to the circuit board to power the LCD screen and as long as I keep 5 V going to the USB-C port on the circuit board, the remote control will turn off and on the TV Every time you apply the 3.7 V remotely.
However, when you disconnect the 5 V from the USB-C port, and reconnect it, you must then physically press the power button on the top of the TV.
I want to bypass the push button switch so that all I have to do is remotely apply the 3.7 V and not have to physically press the push button.
Does anyone have this little circuit board/TV or have any insight into my issue?
Thanks in advance for the help.
I am trying to figure out how to keep the tiny TV in the “On” state so that I can turn it on by simply applying voltage.
I am using a remote control circuit board to apply the 3.7 V to the circuit board to power the LCD screen and as long as I keep 5 V going to the USB-C port on the circuit board, the remote control will turn off and on the TV Every time you apply the 3.7 V remotely.
However, when you disconnect the 5 V from the USB-C port, and reconnect it, you must then physically press the power button on the top of the TV.
I want to bypass the push button switch so that all I have to do is remotely apply the 3.7 V and not have to physically press the push button.
Does anyone have this little circuit board/TV or have any insight into my issue?
Thanks in advance for the help.


