Single chip decimal to 7seg display ?

Thread Starter

inwo

Joined Nov 7, 2013
2,419
Anyone know of a "1 of 10 to 7seg. display" in a single ttl or cmos chip.
Making a 10 led repeater for a remote display. Might be nice to read out numbers 0-9 if it's simple.
MVC-012F.JPG
 

Marley

Joined Apr 4, 2016
514
You need at least 3 chips to do it. A LS147, 4049 and 4511.

Allen
The 147 is a 10-line to 4-line priority encoder. It basically converts the 1 of 10 into binary (BCD in this case). The 4511 converts the BCD into seven-segment to drive the display LEDs.

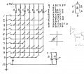
Of course you could leave out the intermediate BCD. Simply convert the 1-of-10 directly into 7-segment. In fact in your case (where you already have something that can drive LEDs) you could do this with a number of diodes. Probably quite a lot of diodes actually!

I have drawn the circuit for the zero output. The other outputs are similar. Because the "0" display needs 6 segments to be lit, 6 diodes are needed. For the "1" display only 2 diodes are needed, etc.
 

Attachments

AlbertHall

Joined Jun 4, 2014
12,619
The 147 is a 10-line to 4-line priority encoder. It basically converts the 1 of 10 into binary (BCD in this case). The 4511 converts the BCD into seven-segment to drive the display LEDs.

Of course you could leave out the intermediate BCD. Simply convert the 1-of-10 directly into 7-segment. In fact in your case (where you already have something that can drive LEDs) you could do this with a number of diodes. Probably quite a lot of diodes actually!

I have drawn the circuit for the zero output. The other outputs are similar. Because the "0" display needs 6 segments to be lit, 6 diodes are needed. For the "1" display only 2 diodes are needed, etc.
This assumes that the 'black box' outputs and active low and that each output is able to drive 8 LEDs.
A microcontroller would be much easier.
 

Marley

Joined Apr 4, 2016
514
This assumes that the 'black box' outputs and active low and that each output is able to drive 8 LEDs.
A microcontroller would be much easier.
I agree! This is the low-tech solution.
If the black box is active high, reverse the diodes and use a common cathode display.
 

crutschow

Joined Mar 14, 2008
38,331
I think the easiest solution would be to use the 40147 and 4511 as Marley suggested, unless you know how to program an MCU.
They are easy to use and will work directly from 9V.
 
Last edited:
Top