Hello,tc1261lcs8 needs to be both turn on and off using esp8266 3.3V GPIO pulse and the output needs to charged and discharged with this GPIO pulse.When my GPIO =0V output off when GPIO=3.3V output is ON.
Which is the opposote of what the SHDN does as shown in the data sheet below.I have made an inverter as shown below .
I want to discharge the negative voltage to ground using NMOS.
Vg=5V and Vs=-2V so the NMOS is open.
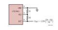
Howeverthe output only goes from 0 to -1 instead of 0 to -2.4 expected by the formula below as it was withoud the SHDN switching.
Why its not charging back to -2.4V?
another problem is that i want the output to be discharge at logical 1 (5V) but here i got the opposite)
Is there something that could be done?
Ltspice model is attached.
Thanks.
https://eu.mouser.com/datasheet/2/609/1261lfa-3124642.pdf




Which is the opposote of what the SHDN does as shown in the data sheet below.I have made an inverter as shown below .
I want to discharge the negative voltage to ground using NMOS.
Vg=5V and Vs=-2V so the NMOS is open.
Howeverthe output only goes from 0 to -1 instead of 0 to -2.4 expected by the formula below as it was withoud the SHDN switching.
Why its not charging back to -2.4V?
another problem is that i want the output to be discharge at logical 1 (5V) but here i got the opposite)
Is there something that could be done?
Ltspice model is attached.
Thanks.
https://eu.mouser.com/datasheet/2/609/1261lfa-3124642.pdf




Attachments
-
1.9 KB Views: 1