Hi
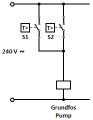
I have one pump (Grundfos 240 volt) at the moment it's controlled by a thermostat simple on/off 240v. As I am adding a log burner to our system which is a thermal store I need to add a fail safe thermostat 240v so that when the thermal store reaches 90 degree it triggers the pump to prevent overheating. Please don't worry about power failure because I have also fitted a normally open valve to a radiator heat sync to take away hot water from the burner in that situation.
I simply want to have two 240v supplies/thermostates wired to the same pump that can trigger the pump individually and not conflict with each other if that happen to be on at the same time.
Hope this is clear - any ideas would be welcome
Thanks Keith
I have one pump (Grundfos 240 volt) at the moment it's controlled by a thermostat simple on/off 240v. As I am adding a log burner to our system which is a thermal store I need to add a fail safe thermostat 240v so that when the thermal store reaches 90 degree it triggers the pump to prevent overheating. Please don't worry about power failure because I have also fitted a normally open valve to a radiator heat sync to take away hot water from the burner in that situation.
I simply want to have two 240v supplies/thermostates wired to the same pump that can trigger the pump individually and not conflict with each other if that happen to be on at the same time.
Hope this is clear - any ideas would be welcome
Thanks Keith

