Hi guys,
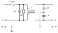
I have designed a direct AC Main voltage monitoring circuit using a resistor network I am getting around 1.7V AC and I connect to ADC Pin in Microcontroller, I attached my circuit diagram below
My problem is
1. When I Switch ON or OFF my AC Main voltage I am getting a Voltage spike of more than 50V
2. Does it a healthy circuit?
Note: My Main AC Voltage connect also to AC motors
So Kindly give a solution or reference circuit to arrest voltage spike

I have designed a direct AC Main voltage monitoring circuit using a resistor network I am getting around 1.7V AC and I connect to ADC Pin in Microcontroller, I attached my circuit diagram below
My problem is
1. When I Switch ON or OFF my AC Main voltage I am getting a Voltage spike of more than 50V
2. Does it a healthy circuit?
Note: My Main AC Voltage connect also to AC motors
So Kindly give a solution or reference circuit to arrest voltage spike



