Does note 3 on page 2 mean the opamp inverting & non inverting terminals can draw ~20mA?
Attachments
-
764.4 KB Views: 8
The note says:Does note 3 on page 2 mean the opamp inverting & non inverting terminals can draw ~20mA?
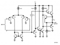
The datasheet you referenced isn't as good as some. The NatSemi datasheet shows the circuit, so you can see what happens when the inputs go below ground:Does note 3 on page 2 mean the opamp inverting & non inverting terminals can draw ~20mA?


