I want to calculate total noise at the output of the non-inverting amp with RC high-pass filter attached at its output.
Additional doubts:
Thankyou
- Va - thermal noise due to Ra
- Vf - thermal noise due to Rf
- Vn - Opamp Voltage referred noise
- In - Opamp Current referred noise
- V - thermal noise due to R
Additional doubts:
- How to calculate noise, if i add two more similar stages at its output?
- How to calculate noise, if i replace low pass RC filter in place of high-pass filter in the first stage.
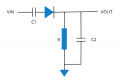
- If i place a capacitor and diode between the non-inverting opamp output and the LC filter, how to calculate noise in this case?
Thankyou
