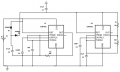
So I have a 3v coin battery going into a voltage doubler that uses a 555. The output is right around 5-6v. I have another circuit made using a 555 timer as well that is an astable multivibrator. Im using this to blink 4 leds with an 80% duty cycle and at 80hz. They both work independent of each other. When I remove the grounds and power from the mulitvibrator circuit on my breadboad and connect the power from the output of the doubler to that circuit along with the grounds i get NOTHING. I need the voltage to be at least 4v for correct illumination of the led. 3v is to dim hence the doubler. And I HAVE to use a coin battery. Any help would be appreciated. Im a Noobie. I have attached my doubler circuit and the astable multivibrator.
Doubler Components
• C1 100nF ceramic capacitor
• C2 1nF ceramic capacitor
• C3/4 4.7uF electrolytic capacitors
• D1/2 1N4004 diodes
• R1 39Kohm resistor
• 555 timer IC
Doubler Components
• C1 100nF ceramic capacitor
• C2 1nF ceramic capacitor
• C3/4 4.7uF electrolytic capacitors
• D1/2 1N4004 diodes
• R1 39Kohm resistor
• 555 timer IC
Attachments
-
186.7 KB Views: 17
-
48 KB Views: 22
