Mini Tesla/Slayer Exciter

shortbus

Joined Sep 30, 2009
10,050
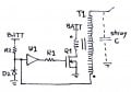
Not making you a promise, but since the mosfet is being used in what is called a "low side switch" situation I'd say it 'should' work. But make sure you use the correct type of mosfet for the battery and U1 output voltage. There are two different types, standard and logic level. The difference is in their fully on gate voltage, standard is ~10VDC and logic level is ~5VDC. Disregard what is called the "threshold voltage" in data sheets for the mosfets, that is the voltage point on the gate where the mosfet is considered as being turned off.

One other thing not shown in your "schematic" is a gate to ground resistor. It should be a high value resistor and is used to make sure the mosfet stays off when it is supposed to be off. Mosfet gates can and do tend to turn themselves on if the gate is left 'floating' not tied to ground. This is because the gate is basically a capacitor and will store stray voltages until it is able to partially turn on, not a good thing.
 

Thread Starter

leech10

Joined Jun 7, 2017
18
Hi one more thing. How to test secondary coil itself. If it has no any break inside? Multimeter on resistance test shows nothing as well as on circuit continuity test( the one with buzzer)
 

Tonyr1084

Joined Sep 24, 2015
9,744
Testing a coil is straight forward. There should be some resistance. Even if there's almost no resistance, it's good. Exact resistance depends on differing factors, but in the end, there should be something. If you are not getting any resistance then either the coil is open, your meter is not functioning correctly OR you're doing something wrong.
 

Thread Starter

leech10

Joined Jun 7, 2017
18
Hi

Meter is OK. It shows nothing. It does not matter on which scale(max 20MOhms). Circuit was working and then stopped( it is on BD243 BJT). I replaced LED( it is ok, checked it) I used 3 transistors( I checked all of them with multimeter and it shows that they are good). Board is OK. The only thing left is a coil. So did it burn inside, do you think?
 

Tonyr1084

Joined Sep 24, 2015
9,744
Can't hazard a guess as to the condition of the coil. Troubleshooting - that's up to you. If you get no continuity through the coil then there must be a reason. A burned coil will smell like it's been burnt. A broken wire is a different story.

Had a freezer circulator fan go bad. Bought a replacement and fixed the freezer. Took the old motor to my lab where I discovered the only thing wrong with the motor was the connection of the copper wire to the plug terminal. Had I known that I could have fixed the fan and not had to replace it. Like I said, troubleshooting - you're going to have to be the principal player in that endeavor. Best we can do is advise.
 
Top