Hello,
I'm looking for a relay, 230VAC, that can work as follows:
Having a constant energizing signal, the normally open (NO) contact closes and then opens (like a push button) while the energizing signal is still on. The normally closed (NC) contact closes and then opens (like a push button) when the energizing signal goes off.
Something like what's shown in the sketch attached, where S is the signal, NO is the "Normally Open" contact and NC is the "Normally Closed" contact.
Your recommendations will be highly appreciated. (Any brand)
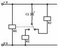
I'm looking for a relay, 230VAC, that can work as follows:
Having a constant energizing signal, the normally open (NO) contact closes and then opens (like a push button) while the energizing signal is still on. The normally closed (NC) contact closes and then opens (like a push button) when the energizing signal goes off.
Something like what's shown in the sketch attached, where S is the signal, NO is the "Normally Open" contact and NC is the "Normally Closed" contact.
Your recommendations will be highly appreciated. (Any brand)
Attachments
-
118.1 KB Views: 3


