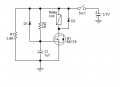
For a project I'm working on, as soon as I apply 5v to a relay, I want a delay of about 1 second before that relay turns on, and stays on
as long as the power is present.
When power is removed, I want that relay to turn off fast. If power is immediately applied again, I need it to require another second
before the relay turns on again.
I tried a big electrolytic cap, with a resistor from the power, thinking it would take a while to charge up enough to pull in the relay,
but it isn't working the way I hoped.
Is there a simple way to do this? I'm working with 3.7 volts, and it's enough to turn the 5v relay on, but no more. I don't want to use a one shot 555 circuit if I can help it.
(edited for clarity)
as long as the power is present.
When power is removed, I want that relay to turn off fast. If power is immediately applied again, I need it to require another second
before the relay turns on again.
I tried a big electrolytic cap, with a resistor from the power, thinking it would take a while to charge up enough to pull in the relay,
but it isn't working the way I hoped.
Is there a simple way to do this? I'm working with 3.7 volts, and it's enough to turn the 5v relay on, but no more. I don't want to use a one shot 555 circuit if I can help it.
(edited for clarity)
