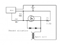
Hi to all. Please i'm looking for a valid solutions. I have a negative signal and I would like to convert it to a positive one. I need the positive signal to be faithful to the (original) negative signal in terms of both frequency and duty cycle. Furthermore, they need to be synchronized, meaning when the negative signal is low, the positive signal is high, and vice versa.

