Hi,
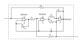
I constructed a Gyrator circuit (schematic Figure attached) to obtain a floating inductor (of value 0.7Henry). After completing the circuit on the breadboard, I put a resistor (1KOhm) in series with the Inductor and supplied a 1 Volt AC signal (100Hz) across the L-R element. Then, I measured the AC voltage across the resistor (to validate the Inductor) with a multimeter. The measured voltage matched the theoretical prediction, confirming the value of the realized the inductor. However, when I used the oscilloscope to view the Voltage signal across the resistor, it didn't match the prediction. As a matter of fact, the Voltage across the resistor still shows a signal with amplitude of 1V (while it should be 0.75V). I am confused by this. The multimeter gives the correct value, but the oscilloscope doesn't.
Could someone kindly comment as to what's going on here?
Interestingly, I also found that if I used the scope and the probe to measure the 5V supply from Arduino Uno, the value was around 2.8V. But, in the multimeter it was 5V.
Thanks,
Shiva
I constructed a Gyrator circuit (schematic Figure attached) to obtain a floating inductor (of value 0.7Henry). After completing the circuit on the breadboard, I put a resistor (1KOhm) in series with the Inductor and supplied a 1 Volt AC signal (100Hz) across the L-R element. Then, I measured the AC voltage across the resistor (to validate the Inductor) with a multimeter. The measured voltage matched the theoretical prediction, confirming the value of the realized the inductor. However, when I used the oscilloscope to view the Voltage signal across the resistor, it didn't match the prediction. As a matter of fact, the Voltage across the resistor still shows a signal with amplitude of 1V (while it should be 0.75V). I am confused by this. The multimeter gives the correct value, but the oscilloscope doesn't.
Could someone kindly comment as to what's going on here?
Interestingly, I also found that if I used the scope and the probe to measure the 5V supply from Arduino Uno, the value was around 2.8V. But, in the multimeter it was 5V.
Thanks,
Shiva
Attachments
-
20.8 KB Views: 33
Last edited:
