I’ve read inductors are normally only used for DC. However, I have seen some used in AC circuits to filter transients. What’s the difference between ac and dc inductors and what are the different uses of them?
Just curious, where did you read that at?I’ve read inductors are normally only used for DC. However, I have seen some used in AC circuits to filter transients. What’s the difference between ac and dc inductors and what are the different uses of them?


Your statement is a misrepresentation of what an inductor does.I’ve read inductors are normally only used for DC. However, I have seen some used in AC circuits to filter transients. What’s the difference between ac and dc inductors and what are the different uses of them?
There are not two different types.Think I’m getting confused. Ac inductors reduce current and dc inductors don’t, is that correct?
Anyway, are DC inductors not used on their own? To reduce interference? And how does this work. Also, what’s a dc inductor function when used with a resistor or capacitor.
And, Ac inductors are used to oppose sudden changes in current?
just looking for a basic understanding of the purposes of the two different types and how they work
Go back and read post #2Think I’m getting confused. Ac inductors reduce current and dc inductors don’t, is that correct?
Anyway, are DC inductors not used on their own? To reduce interference? And how does this work. Also, what’s a dc inductor function when used with a resistor or capacitor.
And, Ac inductors are used to oppose sudden changes in current?
just looking for a basic understanding of the purposes of the two different types and how they work
I have never seen the terms "DC inductor" and "AC inductor" used.Think I’m getting confused. Ac inductors reduce current and dc inductors don’t, is that correct?
Anyway, are DC inductors not used on their own? To reduce interference? And how does this work. Also, what’s a dc inductor function when used with a resistor or capacitor.
And, Ac inductors are used to oppose sudden changes in current?
just looking for a basic understanding of the purposes of the two different types and how they work
I know an inductor is just a coil. But when AC or DC is going through it they have different uses. That’s what I meant by differentThere are not two different types.
The applications might be different. It is still just an inductor.I know an inductor is just a coil. But when AC or DC is going through it they have different uses. That’s what I meant by different
That's a lot more sensible question. I think you need to review some basic electrical AC circuit theory.I know an inductor is just a coil. But when AC or DC is going through it they have different uses. That’s what I meant by different
I know. The different applications is what I want to understandThe applications might be different. It is still just an inductor.
That's a huge list, it's time for you to start reading.I know. The different applications is what I want to understand
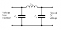
Why should we guess (even if our guesses are likely to be true) the function of those components in isolation from the reset of the schematic? This is a IMO ridiculous method of asking questions.I have attached two pictures of inductors being used that I want to understand. They are both used after rectification and are on a ‘DC link’ that supplies an inverter supplying 3 phase motors.
What I suspected, it's proprietary information. Good Luck.To be helpful? I cannot share the whole schematic
Great. I guess you're SOL. Ask the guy who decided it was proprietary to solve the problem. You might already be in hot water for revealing the existence of the proprietary device. I knew a guy who got canned for just such an offense. He was a fresh out and asked a former professor for help. Turns out the professor was a consultant for a competitor. Lawyers had a field day with this poor SOB.To be helpful? I cannot share the whole schematic