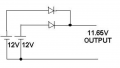
I would like to design a system that switches from primary DC source to a back up battery source. I would like the system to be light weight because it will be attached to a tethered drone. I also want the switching response time to be almost zero. Or is there already a component that does the following job?
