Hello, I am a beginner and trying to use the HT12E encoder to control an IR LED, but I am having trouble. The IR LED stays ON even when no button is pressed. I need help troubleshooting.

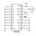
- Circuit Setup:
- HT12E Pin 17 → IR LED Signal Pin
- IR LED Module (HW-489) → Connected to 5V and GND
- HT12E Data Pins (Pin 10 to 13) → Connected to 5V
- Button → Connected between Pin 10 and GND
- Oscillator Resistor (1MΩ) → Connected between Pins 15 and 16
- Troubleshooting Done:
- Measured Pin 17 voltage → 1.4V to 1.5V fluctuating
- Tried replacing HT12E chip, IR LED module, and resistors
- Removed the button but the LED still stays ON
- Used a multimeter to check connections
- Questions I Need Help With:
- Is my wiring correct for controlling an IR LED with HT12E?
- Why is Pin 17 output not changing when pressing a button?
- Do I need additional pull-up or pull-down resistors?
- Should I try a normal IR LED instead of the HW-489 module?

