Hello,
I am designing a circuit to measure sea water conductvity. The measure of conductivity is done using a 4 electrodes sensor. A constant current should be applied to 2 electrodes and the voltage is measured on 2 others.
The signal driving the current pump is a sine wave at 100Khz 700mV peak to peak, oscillating around 0V (generated by a circuit using AD9833).
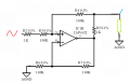
The howland pump is as follow:

It is powered by +5 / -5v symetrical power supply.
If the green part is replaced by a resistor (100ohms for example), the oscilloscope connected at blue point shows me a nice sine wave, centered on 0V with an amplitude almost proportional to resistor value (constant current). No problem there, it is the expected behavior.
If the green part is replaced by the water sensor, the oscilloscope still shows a sine wave but not centered on 0v anymore but rather centered on -3V (exact voltage depends on sensor contacts area)! The problem is that I need a sine wave centered on 0V to avoid electrolysis of sea water.
I have tried to add a capacitor in series with the sensor to filter out the DC part but it fails completelly; it even modifies the input signal.
Any idea would be greatly appreciated.
Best regards,
Olivier
I am designing a circuit to measure sea water conductvity. The measure of conductivity is done using a 4 electrodes sensor. A constant current should be applied to 2 electrodes and the voltage is measured on 2 others.
The signal driving the current pump is a sine wave at 100Khz 700mV peak to peak, oscillating around 0V (generated by a circuit using AD9833).
The howland pump is as follow:

It is powered by +5 / -5v symetrical power supply.
If the green part is replaced by a resistor (100ohms for example), the oscilloscope connected at blue point shows me a nice sine wave, centered on 0V with an amplitude almost proportional to resistor value (constant current). No problem there, it is the expected behavior.
If the green part is replaced by the water sensor, the oscilloscope still shows a sine wave but not centered on 0v anymore but rather centered on -3V (exact voltage depends on sensor contacts area)! The problem is that I need a sine wave centered on 0V to avoid electrolysis of sea water.
I have tried to add a capacitor in series with the sensor to filter out the DC part but it fails completelly; it even modifies the input signal.
Any idea would be greatly appreciated.
Best regards,
Olivier








