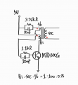
I thought the frequency would change if I changed the resistance and cap values. Am I wrong?I'm not sure you have an oscillator with a frequency you can predict or control. How were you planning on controlling it?
I would like to output a voltage of 1kV to 2kV. A multiplier is connected to the secondary side of the transformer.Changing the resistors will change the DC bias on the transistor. Usually, an oscillator wants a stable bias so I'm not sure that is a useful way to go. What are you trying to accomplish with this monstrosity?
I need about 250uA, that is, 500mW.A Square-Wave-Oscillator would be more efficient when driving a Voltage-Multiplier,
and eliminating the Voltage-Multiplier,
and increasing the Transformer-Secondary-Turns,
would be even more efficient.
How much Current do You need at ~2K-Volts ?
.
.
.
Yes, thank you. I'll give it a try.The phasing of the base and collector windings looks wrong. Try reversing the connections to one of the windings if they are actually wired that way.
This link claims 'overunity' so it is dodgy before we even start.for voltage "stabilizers" they use a resonant LC tank (as for resonant boost converters) ← while trying to spot one of the joule thief type i stumbled upon https://www.homemade-circuits.com/8x-overunity-circuit-using-joule-thief/ (← usually those things are impossible to get up to high efficiency at low voltage input ????)
Thank you. you were right. When I changed the direction of the feedback winding, the frequency dropped. I succeeded in making 1kV output. Thank you.The phasing of the base and collector windings looks wrong. Try reversing the connections to one of the windings if they are actually wired that way.
First of all, I purchased the parts you recommended. It looks like I can make high voltage more stable. However, it will take time for me to receive the parts and understand the datasheet. Anyway, thank you for the advice.Use an SG2524 IC Regulator/Controller ( DIP-16 ),
DigiKey p/n 296-9685-5-ND,
<~$2.oo, >~800 in stock,
easy to work with,
Fully-Symmetrical-Push-Pull-Output,
Adjustable-Frequency,
Current-Limited,
Voltage-Regulated-Output,
very stable with varying Loads,
electrically very quiet for an SMPS Power-Supply ---> easier to filter Output.
( may require one very small additional Transformer-Winding for monitoring Output-Voltage,
this is easier than trying to "pad-down" the extremely high Output-Voltage for Regulation-Feedback ).
https://www.digikey.com/en/products/detail/microchip-technology/SG2524N/13472606?s=N4IgjCBcpgbFoDGUBmBDANgZwKYBoQB7KAbXAAYB2ADkoE4QBdAgBwBcoQBlNgJwEsAdgHMQAXwJg61BtBDJI6bPiKkQ5Jqw6RufIaIkgAtPDkK+AVxXFIZAMxNDRgEwJ5US9bUNGYw69tuAHFnAFZnABZHIA
.
.
.
. . . what you miss here is that the article claims the oscillator being a resonant type . . . however i tend to believe - it has little effect (a narrow outp regulation range/capability) at this particular osc. . . . however - if the cause for such effect is being studied and anderstood - one can design a better variant with a wider reg.-n rangeis dodgy
When a person or situation is called dodgy, it's a clue that they should be dodged if at all possible. Over unity is a no no to discuss.note. : it's easy to label people idiots - not seeing what they actually have said of value
I'm not used to looking at the datasheet, so I just don't understand. Can you tell me how to drive this chip? Or just 'Refer to a few pages of the datasheet'.Use an SG2524 IC Regulator/Controller ( DIP-16 ),
DigiKey p/n 296-9685-5-ND,
<~$2.oo, >~800 in stock,
easy to work with,
Fully-Symmetrical-Push-Pull-Output,
Adjustable-Frequency,
Current-Limited,
Voltage-Regulated-Output,
very stable with varying Loads,
electrically very quiet for an SMPS Power-Supply ---> easier to filter Output.
( may require one very small additional Transformer-Winding for monitoring Output-Voltage,
this is easier than trying to "pad-down" the extremely high Output-Voltage for Regulation-Feedback ).
https://www.digikey.com/en/products/detail/microchip-technology/SG2524N/13472606?s=N4IgjCBcpgbFoDGUBmBDANgZwKYBoQB7KAbXAAYB2ADkoE4QBdAgBwBcoQBlNgJwEsAdgHMQAXwJg61BtBDJI6bPiKkQ5Jqw6RufIaIkgAtPDkK+AVxXFIZAMxNDRgEwJ5US9bUNGYw69tuAHFnAFZnABZHIA
.
.
.
