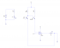
Hi, I'm building this simple circuit. The original idea was to detect an interruption between the signal of a photo transistor and an infra-red LED and then trigger a signal through a transistor. However my teacher asked me to add an Op. Amp. (as a Comparator) to make the circuit distinguish between transparent and non-transparent objects. I don't really know how to make that work. I've been simulating this for a while but i can't get the voltages right. Vout needs to be below 5 V , and needs to send a small signal if the photo tranistor recieves a small ammount of light. Any ideas?
