I am using a surface mount Lumberg 3.5mm headphobe socket (part number 1503 02)...
https://www.lumberg.com/en/products/product/1503+02
However, I don’t understand how this socket is supposed to be assembled to the PCB.
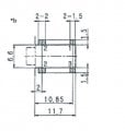
The legs at the front of the socket are 1.05mm above the board and the legs at the rear of the socket is 1.2nn above the board, so how is this supposed to be soldered to the PCB ?
Side view...

Front view...

Rear view...

Because of this, the PCB manufacture is unable to solder the socket to the board….

https://www.lumberg.com/en/products/product/1503+02
However, I don’t understand how this socket is supposed to be assembled to the PCB.
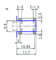
The legs at the front of the socket are 1.05mm above the board and the legs at the rear of the socket is 1.2nn above the board, so how is this supposed to be soldered to the PCB ?
Side view...

Front view...

Rear view...

Because of this, the PCB manufacture is unable to solder the socket to the board….













