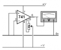
I have a signal of about 100 mV peak-peak with nearly 10mV offset. I tried removing offset using active second order high pass filter but can't remove it fully. I observed that if I give a larger signal to filter using signal generator (5V peak-peak with 1V offset) my filter removes the offset properly. Is there any relation of filter designing with signal magnitude.Can you refer me to some god high pass filtering techniques to remove DC offset. Circuit of high pass filter I used is given below



