Hi,
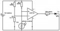
I am trying to create a project that turns on an led when there is little to no light across the photodiode. The only parts we can use are 1 or 2 9 volt batteries, NJM4556A op amp, TL9741N op amp, a photodiode (resistance with light - 300k ohms, resistance when dark - 15M ohms), various resistors and a basic led. I have researched dark-sensing circuits online and have tried to emulate those circuits, but I am unable to do this with the 9v battery supply. If somebody could offer me a solution or draw a circuit diagram, that would be appreciated. And I have tried making a voltage divider, however, when i supply the op amp with the voltage from the voltage divider, the voltage drops to less then .1V. Thanks for any help.
I am trying to create a project that turns on an led when there is little to no light across the photodiode. The only parts we can use are 1 or 2 9 volt batteries, NJM4556A op amp, TL9741N op amp, a photodiode (resistance with light - 300k ohms, resistance when dark - 15M ohms), various resistors and a basic led. I have researched dark-sensing circuits online and have tried to emulate those circuits, but I am unable to do this with the 9v battery supply. If somebody could offer me a solution or draw a circuit diagram, that would be appreciated. And I have tried making a voltage divider, however, when i supply the op amp with the voltage from the voltage divider, the voltage drops to less then .1V. Thanks for any help.
