Hi Everyone,
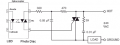
I have a problem with a opto-coupler driven Triac circuit. The problem is, when I turn ON the main switch for the Load supply, I see a sudden glitch on the load(Bulb) for fraction of a second even when the Triac is kept OFF. I probed the spike and found out that it was shooting upto 107Vrms. I have attached an image of the spike observed in oscilloscope. The waveform I obtained was by simultaneously probing across the load and across the Triac. I have added snubber circuit across Triac, added pull down resistor between Triac Gate and load. Still the Glitch appears for everytime I Turn on The Main supply switch. Please help.!!!
I have a problem with a opto-coupler driven Triac circuit. The problem is, when I turn ON the main switch for the Load supply, I see a sudden glitch on the load(Bulb) for fraction of a second even when the Triac is kept OFF. I probed the spike and found out that it was shooting upto 107Vrms. I have attached an image of the spike observed in oscilloscope. The waveform I obtained was by simultaneously probing across the load and across the Triac. I have added snubber circuit across Triac, added pull down resistor between Triac Gate and load. Still the Glitch appears for everytime I Turn on The Main supply switch. Please help.!!!

