Hi there,
In order to achieve unity power factor control, the phase of the AC voltage needs to be obtained. The phase is obtained through a phase-locked loop (PLL).
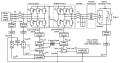
Take a look for single phase control structure of the PLL ,

For such similar way I want to mention some of 3-phase equations, could you kindly elaborate it more ?
VSa = 1/3*(VSab-VSca);
VSb = 1/3*(VSbc-VSab);
VSc = 1/3*(VSca-VSbc);
VSalpha = 2/3*(VSa - (0.5*VSb) - (0.5*VSc));
VSbeta = 2/3 *(SQRT3_2*VSb - SQRT3_2*VSc);
VSq = VSalpha*COS_theta + VSbeta*SIN_theta;
VSd = -VSalpha*SIN_theta + VSbeta*COS_theta;
VSd_error = (VSd - VSd_ref);
freq_delta += (Kp_PLL*(VSd_error-AC_FREQ_PERR) + Ki_PLL*VSd_error);
Kp_PLL=0.1
p_VSd_error = VSd_error;
if(freq_delta > 5.) freq_delta = 5.;
if(freq_delta < -5.) freq_delta = -5.;
freq = ((AC_FREQ_NORMAL ? 50 : 60) + freq_delta);
freq_filtered = 0.99*freq_filtered + 0.01*freq;
theta += (PI2*freq_filtered*AC_TSW);
AC_TSW= 0.000033
Lets angle theta goes pi to 2*pi.
Kindly discuss logically.
In order to achieve unity power factor control, the phase of the AC voltage needs to be obtained. The phase is obtained through a phase-locked loop (PLL).
Take a look for single phase control structure of the PLL ,

For such similar way I want to mention some of 3-phase equations, could you kindly elaborate it more ?
VSa = 1/3*(VSab-VSca);
VSb = 1/3*(VSbc-VSab);
VSc = 1/3*(VSca-VSbc);
VSalpha = 2/3*(VSa - (0.5*VSb) - (0.5*VSc));
VSbeta = 2/3 *(SQRT3_2*VSb - SQRT3_2*VSc);
VSq = VSalpha*COS_theta + VSbeta*SIN_theta;
VSd = -VSalpha*SIN_theta + VSbeta*COS_theta;
VSd_error = (VSd - VSd_ref);
freq_delta += (Kp_PLL*(VSd_error-AC_FREQ_PERR) + Ki_PLL*VSd_error);
Kp_PLL=0.1
p_VSd_error = VSd_error;
if(freq_delta > 5.) freq_delta = 5.;
if(freq_delta < -5.) freq_delta = -5.;
freq = ((AC_FREQ_NORMAL ? 50 : 60) + freq_delta);
freq_filtered = 0.99*freq_filtered + 0.01*freq;
theta += (PI2*freq_filtered*AC_TSW);
AC_TSW= 0.000033
Lets angle theta goes pi to 2*pi.
Kindly discuss logically.


