Could someone give me some ideas?
I have a mains line that's entering a circuit. It goes to an optocoupler so the 110VAC is isolated from the circuit.
That line could have mains 110VAC OR if it doesn't have mains 110VAC it's going to have either 12VDC or 0V.
All logic is handled by a microcontroller so if the output of the optocoupler is +5VDC, I know that it's 110VAC and nothing more is needed but if output of the optocoupler is low, I need to further determine if there is 12VDC or 0V on the line.
Any thoughts appreciated.
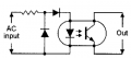
I have a mains line that's entering a circuit. It goes to an optocoupler so the 110VAC is isolated from the circuit.
That line could have mains 110VAC OR if it doesn't have mains 110VAC it's going to have either 12VDC or 0V.
All logic is handled by a microcontroller so if the output of the optocoupler is +5VDC, I know that it's 110VAC and nothing more is needed but if output of the optocoupler is low, I need to further determine if there is 12VDC or 0V on the line.
Any thoughts appreciated.


