DC motor capacitors

Thread Starter

Lucky-Luka

Joined Mar 28, 2019
181
Hi all
I want to build a little wheeled robot.
I will use little 3V DC motors.
I have read it's suggested to use caps to reduce RF emissions.
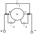
I have found 2 images that should compliment each other.
Should cap #1 be mounted near the motor or near the IC?
Should I use all 104 caps?
Thanks
 

Attachments

AlbertHall

Joined Jun 4, 2014
12,624
I want to build a little wheeled robot.
I will use little 3V DC motors.
I have read it's suggested to use caps to reduce RF emissions.
Are the motors going to be speed controlled, or simply on/off?
If they are going to be controlled by PWM then you definitely should not use 10uF - stick with 100nF.
 
Top